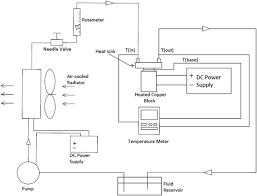
The following page uses this file: Wiki/Building/Components/Fluids. Heat sinks are devices that enhance heat dissipation from a hot surface,usually the case of a heat generating component, to a cooler ambient, usually air. For the following discussions, air is assumed to be... For more complex heat sink geometries, and/or heat sinks with multiple materials, and/or heat sinks with multiple fluids, computation fluid dynamics (CFD) analysis is recommended (see graphics on this page). Heat sinks are classified into single-phase or two-phase according to whether boiling of liquid occurs inside the micro channels. the heat sink, dependence of physical properties of fluid on
Source: summitracing.com Summit Racing Sum 331000 Summit Racing Heat Sink Transmission Coolers Summit Racing Source: aliexpress.com Syscooling 1 Liters Clear Liquid Water Cooling Thermal Fluid Computer Water Cooling Heat Sink Water Cooling Kit Accessories Fans & Cooling Aliexpress Source: en.wikipedia.org Thermal Paste Wikipedia Source: researchgate.net Side Cross Section Of The Cad Model Of Microfluidic Heat Sink Mounted Download Scientific Diagram Source: s-bond.com Bonding Heat Sinks Source: slideshare.net Numerical Investigation On Heat Sink By Computational Fluid Dynamics Source: electronics-cooling.com How Much Heat Can Be Extracted From A Heat Sink? Electronics Cooling Source: researchgate.net Schematic Diagram Of The Heat Sink Unit Cell Showing The Fluid Flow Download Scientific Diagram Source: pscmotorsports.com Heat Sink Cooler Kit No Hoses Source: researchgate.net Thermal Resistances Of Microchannel Heat Sink With Water, Water Is The Download Scientific Diagram Source: sciencedirect.com Optimal Design And Thermal Modelling For Liquid Cooled Heat Sink Based On Multi Objective Topology Optimization: An Experimental And Numerical Study Sciencedirect Source: summitracing.com Derale Cooling Products 13250 Derale Heat Sink Fluid Coolers Summit Racing Source: pitstopusa.com Racing Power 15 X 3 1/8" Fluid Cooler Heat Sink 3/8" Npt Female Inlet/Outlet Fittings Included Aluminum Source: en.wikipedia.org Heat Sink Wikipedia Source: amazon.com Heat Transfer And Fluid Flow Analysis Of Spiral Microchannel Heat Sink: ., Vinay Aggarwal & Dr. Satbir Singh Sehgal: 9781723800856: Amazon.Com: Books Source: ebay.com Moroso Inline Fluid Cooler Heat Sink 12 X 3 In P/N 41200 Ebay Source: grabcad.com Solidworks Flow Simulation Heat Sink Analysis Between Radial Curved Fan And Axial Fan 3D Cad Model Library Grabcad Source: sciencedirect.com Numerical Study On Effect Of Cuo Water Nanofluid On Cooling Performance Of Two Different Cross Sectional Heat Sinks Sciencedirect Source: en.wikipedia.org Heat Sink Wikipedia Source: iisb.fraunhofer.de Optimization Of Complex Heat Sink Structures Source: researchgate.net Heat Sink With Fluid Pockets And Half Length Fins Download Scientific Diagram Source: youtube.com Simulation Of Heat Transfer And Fluid Flow In Heat Sink Using Solidworks And Ansys Fluent Youtube Source: slideshare.net Cfd And Conjugate Heat Transfer Analysis Of Heat Sinks With Different Source: steamtank.org Pin Fin Heat Sink Fluid Wbg Steamtank Source: thermavant.com Design & Engineering Services Thermavant Technologies Source: pinterest.com A Heat Sink Is A Passive Heat Exchanger That Transfers The Heat Generated By An Electronic Or Mechanical Device To A Computer Hardware, Micro Computer, Hardware Source: imgbin.com Computational Fluid Dynamics Heat Sink Cfd Dem Model Simulation Png, Clipart, Best Practice, Cfd, Computational Fluid Source: eetimes.com Heat Removal With Microchannel Heat Sinks Ee Times Source: allaxismachining.com All Axis Machining Heatsinks Source: summitracing.com Summit Racing Sum 331000Bk Summit Racing Heat Sink Transmission Coolers Summit Racing Source: linkedin.com Optimization Of Geometry Of A Heat Sink Source: researchgate.net Schematic Of The Flow Path Of The Working Fluid After Heat Sink Took Download Scientific Diagram Source: sciencedirect.com Numerical Analysis Of The Heat Transfer And Fluid Flow Characteristics Of A Nanofluid Cooled Micropin Fin Heat Sink Using The Eulerian Lagrangian Approach Sciencedirect Source: qats.com What Fluids Can Be Used With Liquid Cold Plates In Electronics Cooling Systems Advanced Thermal Solutions Source: sciencedirect.com Review Of Micro And Mini Channel Heat Sinks And Heat Exchangers For Single Phase Fluids Sciencedirect Source: sciencedirect.com Water Cooled Minichannel Heat Sinks For Microprocessor Cooling: Effect Of Fin Spacing Sciencedirect Source: sciencedirect.com Pin Fin Shape Dependent Heat Transfer And Fluid Flow Characteristics Of Water And Nanofluid Cooled Micropin Fin Heat Sinks: Square, Circular And Triangular Fin Cross Sections Sciencedirect Source: jase.tku.edu.tw Experimental Investigation Of Fluid Flow And Heat Transfer In Microchannels Journal Of Applied Science And Engineering Source: en.wikipedia.org Heat Sink Wikipedia Source: youtube.com Ansys Fluent Student: Conjugate Heat Transfer In A Heat Sink Youtube Source: ctx.eu Liquid Heat Sinks Ctx Thermal Solutions Source: sciencedirect.com Thermal Performance Of Micro Channel Heat Sink With Metallic Porous/Solid Compound Fin Design Sciencedirect Source: summitracing.com Derale Cooling Products 13266 Derale Heat Sink Fluid Coolers Summit Racing Source: heatscape.com Computational Fluid Dynamics (Cfd) Heatscape Inc. Silicon Source: x-mol.com Numerical Investigation Of The Fluid Flow And Heat Transfer Characteristics Of Tree Shaped Microchannel Heat Sink With Variable Cross Section,Chemical Engineering And Processing: Process Intensification X Mol Source: ieeexplore.ieee.org Heat Sink Optimization With Application To Microchannels Source: en.wikipedia.org Heat Sink Wikipedia Source: electronics-cooling.com Circuit Credit Card Assembly Heat Sinks Embedded With Oscillating Heat Pipes Electronics Cooling Source: techcrunch.com This Fanless Heatsink Is The Next Generation In Cpu Cooling Techcrunch Source: amazon.com Amazon.Com: Natural Convection From A Horizontal Heat Sink: Numerical Simulation Using Fluent 19.2 (Fluent Tutorials Book 1) Ebook: Khalil, Hesham: Kindle Store Source: computer.howstuffworks.com How Liquid Cooled Pcs Work Howstuffworks Source: nanoheat.stanford.edu Extreme Heat Flux Microfluidics With Phase Separation Stanford Nanoheat Lab Source: chegg.com Solved: (15 Marks) A Heat Sink With An Array Of Square Cro Chegg.Com Source: semanticscholar.org Simulation Of The Fluid Dynamics In Active Liquid Heat Sink For Cpu Cooling System Semantic Scholar Source: researchgate.net 3 Commercial Heat Sink For Cpus Based On Microchannels And Using Water Download Scientific Diagram Source: amazon.com Amazon.Com: Edelbrock 651470 Heat Sink Fluid Cooler 8" W/An 8 O Ring Ports: Automotive Source: boydcorp.com Ducted Versus Bypass Flow Source: en.wikipedia.org Heat Sink Wikipedia Source: directindustry.com Compact Heat Sink Flki 80 Fischer Elektronik Gmbh & Co. Kg Liquid Cooled Source: pngegg.com Comsol Multiphysics Airflow Mechanical Engineering Computational Fluid Dynamics Heat Sink, Water Transfer, Text, Volume Png Pngegg Source: aliexpress.com 3010 3Cm Fluid Bearing 24V12V5V Silent 30Mm Mini Fan Aluminium Heat Sink 30*15Mm Micro Cpu Cooler Radiator Fans & Cooling Aliexpress Source: chegg.com Solved: During The Isothermal Heat Rejection Process Of A Chegg.Com Source: semanticscholar.org Figure 2 From Hybrid Micro Fluid Heat Sink For High Power Dissipation Of Liquid Cooled Data Centre Semantic Scholar Source: researchgate.net Micro Channel Heat Sink And Schematic Description Of The Cross Section Download Scientific Diagram Source: comsol.com Thermal Modeling Of A Microchannel Heat Sink Source: researchgate.net Maximum Silicon Base Micro Channel Heat Sink With Different Inlet Fluid Download Scientific Diagram Source: researchgate.net Computational Domain Of A Micro Channel Heat Sink. Download Scientific Diagram Source: en.wikipedia.org Heat Sink Wikipedia Source: shapesbyhydro.com How You Can Design Better Aluminium Heat Sinks To Improve Thermal Performance Source: artecindustries.com Psc Ck100 6 16" Fluid Cooler Source: blog.nus.edu.sg Heat Sink & Heat Exchanger Design Coolestlab Source: summitracing.com Derale Cooling Products 13252 Derale Heat Sink Fluid Coolers Summit Racing Source: en.wikipedia.org Heat Sink Wikipedia Source: polyperformance.com Psc Heat Sink Fluid Cooler Kit With Upgraded #8 Return Line Hose Kit, 2007 11 Jeep Jk Poly Performance Source: researchgate.net Minimized Thermal Resistance Versus Pumping Power For Heat Sink Using Download Scientific Diagram Source: ebay.com Derale 13260 2 Pass 12" Heat Sink Fluid Cooler New Ebay Source: researchgate.net Average Fluid Score With Results Divided According To Heat Sink Download Scientific Diagram Source: en.wikipedia.org Heat Sink Wikipedia Source: semanticscholar.org Figure 1 From Hybrid Micro Fluid Heat Sink For High Power Dissipation Of Liquid Cooled Data Centre Semantic Scholar Source: opgi.com Fluid Cooler, Heat Sink, Single Pass 3/8" Npt @ Opgi.Com Source: wakefield-vette.com Liquid Cold Plates Source: fictiv.com Heat Sink Design Guide Fictiv Source: pscmotorsports.com Heat Sink Cooler Kit No Hoses Source: summitracing.com Derale Cooling Products 13267 Derale Heat Sink Fluid Coolers Summit Racing Source: tran-tec.com Tran Tec Corporation Liquid Cooled Heat Sinks Source: gabrian.com 6 Heat Sink Types: Which One Is Best For Your Project? Gabrian Source: electronics-cooling.com Applying Computational Fluid Dynamics To Heat Sink Design And Selection Electronics Cooling Source: quadratec.com Derale Performance 13250 Heat Sink Fluid Cooler Kit Quadratec Source: opgi.com Fluid Cooler, Heat Sink, Dual Pass 1/4" Npt @ Opgi.Com Source: northridge4x4.com Psc 16In Single Pass Heat Sink Fluid Cooler Kit W 6An Fittings Black Ck100 6 Bl Northridge4X4 Source: winnerscircle.com Derale 13271 Single Pass Heat Sink Co Oler 15In Black Anodize Winners Circle Speed And Custom Source: chegg.com A Heat Sink With An Array Of Circular Cross Sectio Chegg.Com Source: chegg.com Solved: During The Isothermal Heat Rejection Process Of A Chegg.Com Source: thejeephut.com Heat Sink Fluid Cooler Kit With 6An Fittings Psc Performance Steering Components Jeephut Offroad Source: researchgate.net Lotus Type Copper Heat Sink. Fluid Flows Through The Pores And Heat Download Scientific Diagram
suggestion: heat sink fluid
heat sink fluid flow
heat sink hydraulic fluid
heat sink transmission fluid cooler
fluid heat sink stormworks
heat sink fluid definition
fluid heat sink
0 Response to "heat sink fluid"
Posting Komentar